Darmowa dostawa!
30 dni na zwrot
Raty 0%
+48 571 495 769
Pomoc i kontakt
PL / PLN
Premium
SUPPLY
.
Kategoria wyszukiwania
Wszystkie kategorie
Elektronika
AGD
Moda
Dom i ogród
Supermarket
Dziecko
Uroda
Zdrowie
Sport i turystyka
Motoryzacja
Książki i multimedia
Hobby
SZUKAJ
Koszyk
0,00 zł
Okazje dnia
Nowości
Outlet
Marki premium
Raty 0%
Supply Club
Prezenty
Bestsellery
Dla firm
Ladowanie...
Strona główna
›
Plafony
›
REALITY LEUCHTEN Lampa Wisząca Tommy Nikiel Matowy Biały Abażur
Stan:
Nowy
REALITY LEUCHTEN Lampa Wisząca Tommy Nikiel Matowy Biały Abażur
Numer oferty:
PS18218411290
Opis
Specyfikacja
Opinie
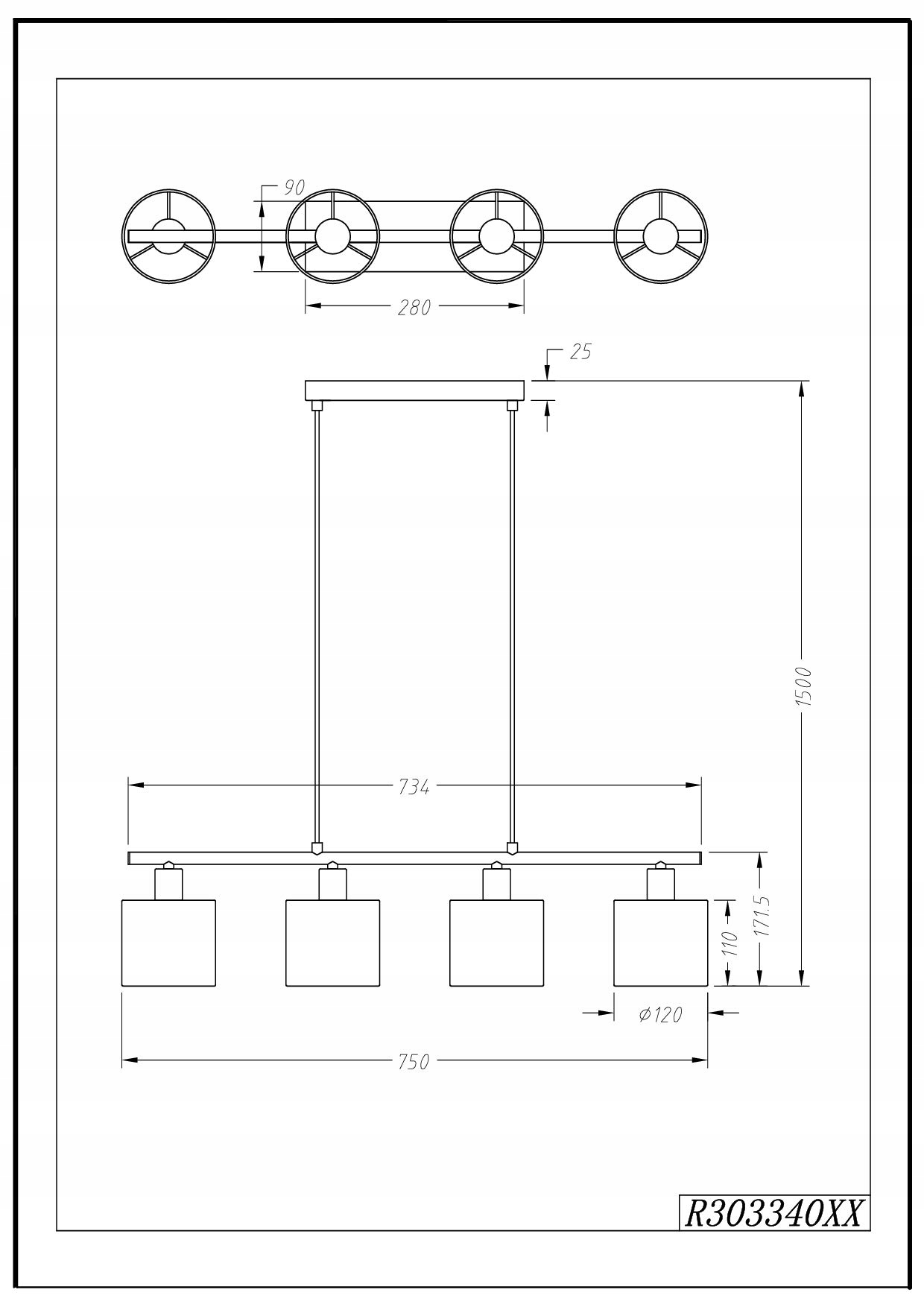
Reality Leuchten Tommy R30334001 Lampa wisząca, matowy nikiel, abażur biały
Lampa wisząca Tommy 4-płomienna w metalu matowy nikiel z abażurami w kolorze białym
Lampa bez źródła światła. Odpowiednie źródło światła 4x E14 max. 28 Watt
Pendulum ma szerokość 75 cm, wysokość można płynnie regulować do maksymalnie 150 cm
Brak źródła światła w zestawie
REALITY LEUCHTEN Lampa Wisząca Tommy Nikiel Matowy Biały Abażur | Premium Supply